FIAT LUX : fietsverlichting
Door het groeiende verkeer in de 20e eeuw, begonnen landen over de hele wereld wetten te maken over fietsverlichting. Auto's hadden al eerder verlichting, vanwege de hogere snelheden. De fietser is kwetsbaar, zeker als hij in het donker niet zichtbaar is. Reflecterende materialen kunnen ongelukken voorkomen: achterlichten met reflectoren, witte spatborden, spaakreflectoren en bandenreflectie, al deze middelen helpen de fietser om 's nachts te overleven. Qua wetgeving heeft de fietser zich aan te passen aan de regels. Een ervaren nachtrijder heeft vaak een eigen voorkeur voor een bepaald verlichtingssysteem.
De functie van verlichting, is vooral zien en gezien worden.
De fietsverlichting heeft zich als volgt ontwikkeld:
1. Olielampen:
In de late 19e eeuw werden vooral olielampen als fietsverlichting gebruikt.
De lampen links in FIG.1 hingen aan de (draaiende) voornaaf; de lampen rechts werden aan stuur of balhoofd bevestigd.
Deze konden ook door Safety's gebruikt worden.
De lampen gaven weinig licht en vereisten regelmatig onderhoud o.a. om roetvorming tegen te gaan.

FIG.1 Olielampen in de folder van Peugeot uit 1886. De lampen links hingen aan de draaiende as van de Hoge-bi. De lampen rechts werden op het stuur of balhoofd gemonteerd (ook te gebruiken bij Safety's).
2. Kaarslampen:
zie FIG.2 Deze kwamen iets later op de markt, maar hadden vergelijkbare problemen .
Ze waren gevoelig voor de wind en hadden een korte brandduur.
3. Acetyleenlampen:
Aan het begin van de 20e eeuw werden acetyleenlampen populair. Zie FIG.3 en FIG.4 .
Deze lampen produceerden een helder licht door verbranding van acetyleengas; ze waren relatief zwaar en ingewikkeld in gebruik.
Het waren vaak wel heel fraaie nikkel en messing lampen

FIG.2 Een kaarslantaarn uit 1900.

FIG.3 Acetyleenlamp 1898

FIG.4 Acetyleenlamp uit 1898, dus niet elektrisch!
Alle lampen die licht opwekken met een verbrandingsproces hebben daarvoor brandstof nodig in de vorm van een koolwaterstof. Vast: kaarsvet, vloeibaar: olie of petroleum , gasvormig: acetyleen; uiteraard is bij elke verbranding ook zuurstof uit de lucht nodig. Het acetyleen werd in de lamp gemaakt door een chemische reactie van Calcium Carbide en water.

FIG.5 batterijverlichting 1898
4. Batterijlampen:
FIG.5 laat een batterijlamp zien uit 1898. De prijs van de (niet oplaadbare) batterijen en de kwetsbare lampjes, maakte dit toch een relatief dure verlichting voor de meeste gebruikers. Pas na de jaren 50 is er een toename in gebruik; soms was de landelijke wetgeving, zoals verlichting bij stilstand, een reden. De combinatie van batterij en dynamo was er ook in 1923 al (zie FIG.5b )
Vanaf de jaren zeventig is er een snelle ontwikkeling van nieuwe batterijen en lampjes.
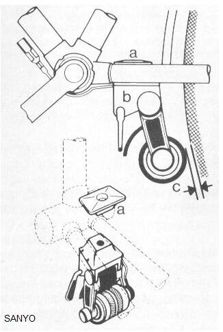
5. Dynamo-verlichting:
Zie FIG.6a In de jaren '20 kwam dynamo-verlichting op de markt. De dynamo, aangedreven door het het wiel, genereerde stroom om de lampjes te laten branden. Alle dynamo's produceren wisselstroom (AC), maar gelijkrichters kunnen dit veranderen in (pulserende) gelijkstroom (DC). De rol die het contact met de band verzorgde sleet relatief snel, en zorgde voor een slippende dynamo, zeker bij regen en sneeuw. In de jaren '70 kwam de roldynamo, die op het loopvlak van de band draaide. Zie de Sanyo van FIG.6d. Er zijn in de jaren '80 meer fabrikanten met dit type op de markt gekomen, maar dit was in de hogere prijsklasse. In de jaren twintig en dertig was er geen echte consensus over spanning en vermogen. Na de oorlog was het in het algemeen: 3 Watt (6V en 0,5A). Verliezen bij gebruik van een goede naaf- of roldynamo zijn 2-3W; bij goedkope en/ of slecht afgestelde dynamo's kan dat oplopen tot boven 10W , zie FIG.6b.

FIG.5b Combineren van batterij en dynamo in 1923

FIG.6a Dynamo's en lampen uit 1925 in de catalogus van Messner Paris.

FIG.6b Uitlijnen dynamo.

FIG.6c De rotor met magneten draait; de stator met de koperdraden waar stroom wordt opgewekt, staat stil.

FIG.6d Sanyo bracket dynamo.
De naafdynamo van Sturmey Archer uit 1936, FIG.7a , was in de hoge prijsklasse. Bovenop de S.A. koplamp van FIG.7b zat een knop om de verlichting in te schakelen. De naafdynamo werd vaak gecombineerd met een batterijhouder (soms in de koplamp) die bij lage snelheid de verlichting overnam. Het was een goed werkend systeem, dat eigenlijk alle zwakke punten van de fietsverlichting onderving. Bij S.A. vond men in de jaren '80 dat de omzet te laag was en stopte men met de productie. Door ontwikkeling van nieuwe magneten rond 1990, zagen anderen het gat in de markt. Shimano maakt met Neodynium magneten betaalbare dynamonaven. Schmidt Orginal Nabendynamo (SON) gebruikt het duurdere Samarium-Cobalt en heeft de high-end markt. Bij het Duitse merk Renak (https://www.nabendynamo-renak.de/ ) kan de dynamo uitgeschakeld worden; hierdoor zijn er nauwelijks verliezen overdag. Bij inschakelen liggen de verliezen dan weer wat hoger t.o. Shimano en SON ( 0,5 tot 1W)
Bij hogere snelheden kan een dynamo de lamp overbelasten, waardoor deze kapotgaat. Moderne lampen en dynamo's bevatten vaak Zener-diodes om overspanning te voorkomen. Om licht te produceren wanneer de fiets stilstaat, hebben sommige dynamolampen een standlichtfunctie, meestal een enkele blauw-witte (koplamp) of rode (achterlamp) LED die wordt aangestuurd door een condensator en ongeveer vijf minuten werkt. Sommige fietsen hebben magneetjes op de spaken van het wiel en lampjes met een spoel erin, gemonteerd op het frame of de vork van de fiets (werkt alleen om gezien te worden).

FIG.7a Sturmey Archer naafdynamo (1936) ; deze naaf was 12V, maar er waren ook 8V en 6V naven.
De ontwikkelingen in de laatste vijftig jaar.....
Gloeilampen werden eerst vervangen door halogeenlampen (rond 1980); daarna kwam er een korte periode dat er veel nieuwe types op de markt kwamen: HID, Xenon en eind jaren '80 de lichtgevende diodes (LED's). Hoewel er in het begin problemen waren met de kleur van sommige LED's (vooral bij mensen met kleurenblindheid), hebben ze de markt tegenwoordig volledig overgenomen.
Oplaadbare of wegwerpbatterijen, worden vaak gebruikt om elektrische fietsverlichting van stroom te voorzien. Moderne LED-fietsverlichting kan worden opgeladen via USB en heeft vaak extra functies zoals knipperstanden en lichtsensoren waardoor bij het inrijden van een tunnel het licht automatisch inschakelt.
3 volt: Vaak gevoed door 2 AA- of C/D-knoopcelbatterijen, zie FIG.8a.
6 volt: Soms worden 4 AA-batterijen of loodzuurbatterijen gebruikt; ook gevoed door een band- of naafdynamo.
9 volt: Soms gevoed door een PP3-batterij
12 volt: soms nog gevoed door verzegelde loodzuurbatterijen, maar inmiddels verdrongen door lithium varianten. Het belangrijkste voordeel van deze spanning is de veelzijdigheid van het elektrische systeem, zoals de mogelijkheid om banden op te pompen met elektrische luchtcompressoren.
Er zijn ook 12-volt dynamo's beschikbaar, hoewel hun wattage te laag is voor zwaardere toepassingen. Vrijwel alle fietsverlichting op de markt vandaag de dag, van de goedkoopste tot de duurste, is gebaseerd op LED's.
Voor 2005 hadden oplaadbare NiCAD- en NiMH-batterijen een zelfontladingseffect; hierdoor raakte de batterij binnen een periode van weken of maanden leeg, zelfs als deze niet werd gebruikt. De introductie van de Low self-discharge NiMH-batterij (LSDNiMH) maakte oplaadbare AA- en AAA-batterijen geschikter voor LED-fietsverlichting. Tegenwoordig zijn vooral de Li-ion- en LiPo-batterijen populair geworden bij fietsers vanwege hun hogere capaciteit en lichtere gewicht in vergelijking met conventionele batterijen.
FIG.8b Batterij lamp uit 1922

FIG.8a Een slim "opklik" achterlicht.

Volgens het Internationaal Verdrag van Wenen inzake het wegverkeer (1968) van de Verenigde Naties is een fiets een voertuig. Artikel 44 van het Verdrag bepaalt dat: "Fietsen zonder motor in het internationale verkeer: (c) moeten zijn uitgerust met een rood reflecterend apparaat aan de achterkant en met apparaten zodat de fiets een wit of selectief geel licht aan de voorkant en een rood licht aan de achterkant kan laten zien." Veel jurisdicties vereisen dat fietsen op het verkooppunt zijn uitgerust met reflectoren.
In de Verenigde Staten wordt dit gereguleerd door de Consumer Product Safety Commission. CPSC-conforme reflectoren (die ook vaak in andere markten worden gemonteerd) hebben drie reflecterende panelen die in een hoek van 30° zijn geplaatst. De norm vereist een naar voren gerichte witte reflector aan de voorkant van de fiets, zijwaarts gerichte witte reflectoren op elk wiel, een rode reflector aan de achterkant en gele reflectoren aan de voorkant en achterkant van elk pedaal. Sommigen interpreteren dit als een goedkeuring van nachtelijk fietsen met alleen reflectoren, maar sommige Amerikaanse staten vereisen 's nachts voor- en achterlichten
De meeste Europese landen verplichten ook voor- en achterlichten. Per land verschillen die nogal; er is dus geen consensus. In het Verenigd Koninkrijk zijn de voorschriften voor fietsverlichting vastgelegd in de Road Vehicles Lighting Regulations 1989[3] en de daaropvolgende wijzigingen, samengevat in de Highway Code.[4] De voorschriften vereisen een witte voorlamp, een rood achterlicht, een rode achterreflector en amber/gele pedaalreflectoren aan de voor- en achterkant van beide pedalen. Reflectoren moeten voldoen aan BS 6102/2 of een gelijkwaardige Europese norm. De situatie voor verlichting is ingewikkelder: een licht met een constante modus wordt alleen als goedgekeurd beschouwd als het voldoet aan BS 6102/3 of een gelijkwaardige Europese norm.
Een licht zonder constante modus wordt alleen als goedgekeurd beschouwd als het knippert met een constante snelheid van tussen de 60 en 240 flitsen per minuut en een lichtsterkte heeft van ten minste 4 candela. LED-systemen bevatten vaak een optie om de LED's te dimmen of om een knipperend licht te geven.
De meeste beschikbare LED-lampen zijn niet goedgekeurd voor gebruik in het Verenigd Koninkrijk, omdat ze constante modi hebben die niet voldoen aan BS 6102/3. Nationale fietsersorganisaties zoals LAB (VS) of CTC (VK) en ENFB (NL) zijn een bron van informatie. In de Nederlandse wet- en regelgeving (art. 35 en 35a RVV) wordt geen minimale lichtsterkte voorgeschreven, maar knipperende lichten zijn verboden. Dit laatste is ook in Duitsland het geval, maar de Duitse regelgeving bevat veel meer voorschriften.
Goedkope batterijlampen kunnen een goede keuze zijn voor incidenteel gebruik en voldoen meestal aan de wettelijke vereisten. Regelmatige fietsforenzen zullen het echter goedkoper en milieuvriendelijker vinden, om oplaadbare cellen te gebruiken. Veel koplampen gebruiken oplaadbare lithium-ion batterijen, die kunnen worden opgeladen via een USB-poort. Een heel groot deel van de fietsenmarkt is overgenomen door E-bike varianten. Het is onzinnig om daar dynamo's op te monteren; moderne LED's zijn energiezuinig en kunnen elke gewenste hoeveelheid licht produceren.
LEESVOER
Card, Peter W. (2007). Early Cycle Lighting 1868-1948: Identification and Value Guide. Crowood. ISBN 978-1-86126-964-5.
Bicycling Test Team (30 november 2020). "The Best Bike Lights for Every Kind of Ride" (https://www.bicycling.com/bikes-gear/a20023360/8-bike-lights-we-love/). Bicycling.com , 6 december 2021.
The Road Vehicles Lighting Regulations 1989 (http://www.legislation.gov.uk/uksi/1989/1796/contents/made) Department for Transport (2007).
De verkeersregels: regels voor Engelse fietsers (http://www.direct.gov.uk/en/TravelAndTransport/Highwaycode/DG_069837)
Edewaard, Darlene (1 mei 2017). De opvallende voordelen van statische en dynamische fietsachterlichten in het donker (https://tigerprints.clemson.edu/all_theses/2620/) (scriptie).
Eigenaar Schmidt van Duitse naafdynamo fabriek (uiteraard in het Duits): https://fahrradzukunft.de/1/wirkungsweise-fahrradlichtmaschinen
Een Duitse test van naafdynamo's : https://fahrradzukunft.de/1/labortest-nabendynamos