FIAT LUX : Let there be (bike) light
With the growing traffic in the 20th century, countries around the world started making laws about bicycle lighting. Cars needed lights earlier, because of the higher speeds. The cyclist is vulnarable, certainly when he is not visible in the dark. Reflective materials can prevent accidents; taillights can be enhanced by reflectors, white fenders, spoke reflectors and tire reflection. They all help the cyclist to survive at night.
Bicycle lighting: To see and be seen.
Bicycle lighting developed as follows:
1. Oil lamps:
In the late 19th century, oil lamps were mainly used as bicycle lighting. The lamps on the left in FIG.1 hung from the (rotating) front hub; the lamps on the right were attached to the handlebars or headset. These could also be used by Safety's.
The lamps gave little light and required regular maintenance, among other things to prevent soot formation.
2. Candle lamps:
See FIG.2 These came on the market a little later, but had similar problems. They were sensitive to wind and had a short burn time.

FIG.1 In 1886 Peugeot had oillamps for the ordinary highwheeler that would be hanging from the rotating axle (the 2 on the left). The ones on the right were fixed on headtube, stem or handlebar of highwheelers and safeties.
3. Acetylene lamps:
Acetylene lamps became popular in the early 20th century. See FIG.3 and FIG.4 . These lamps produced a bright light by burning acetylene gas; they were relatively heavy and complicated to use. They were often very beautiful nickel and brass lamps.
All lamps that generate light by burning fuel need carbon hydrates. Solid: candle wax, liquid: oil or petroleum , gassious: acetylene. Of course they all need oxygen from the air. The acetylene was made inside the lamp by a chemical reaction of Calcium Carbide and water.

FIG.2 Candle lamp 1900

FIG.3 Acetylene lamp 1898

FIG.4 Another acetylene lamop, not electric! 1898
4. Battery lamps:
FIG.5a shows a battery lamp from 1898. The price of the (non-rechargeable) batteries and the fragile bulbs made this a relatively expensive lighting for most users. It was not until after the '50s that there was increased use. National legislation, such as lighting when stationary, was a reason. From the 70s onwards there was a rapid development of batteries and bulbs. Combining battery and dynamo in 1923, see FIG.5b

FIG.5a Battery light from 1898

FIG.5b Combining battery and dynamo was done as early as 1923
5. Dynamo lighting:
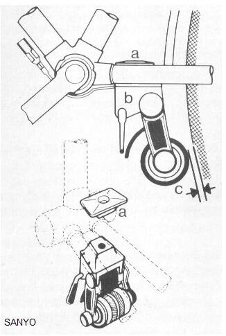
See FIG.6a . The dynamo, driven by the wheel, generates electricity. All dynamo's produce Alternative Current (AC), but rectifiers can change it to (pulsating) Direct Current (DC). Dynamo lighting came onto the market in the '20s. The roller that provides contact with the tire wore out relatively quickly, and causes the dynamo to slip, especially in rain and snow. There were caps on the market to improve grip. In the twenties and thirties there was no real consensus about power output. Post-war the general output was 3 Watt (6V and 0,5A). Losses when using a cheap or poorly setup dynamo could be as high as 10W, see FIG.6b. There were also dynamos that rolled on the tread of the tire, see FIG.6d, more efficient but in the higher price range.

FIG.6b Setup dynamo.

FIG.6c The rotor and magnets turn; the stator with copper coils where the current is generated, does not move.

FIG.6d Sanyo bracket dynamo.
The hub dynamo FIG.7a performed much better; it was often combined with a battery holder (sometimes in the headlight). The hub dynamo was certainly more expensive. On top of the S.A. headlight of FIG.7b, there was a button to switch on the lighting. If a battery holder was in place, the light would be taken over automatic below a certain voltage. This avoided flickering lights at low speeds. It was a well-functioning system, which actually covered all the weak points of bicycle lighting. At S.A. they thought in the 80s that the turnover was too low and they stopped production. With new magnets developed around 1990, others saw the gap in the market. Shimano makes affordable dynamo hubs with Neodynium magnets (see FIG.7c). Schmidt Original Nabendynamo (SON) uses the more expensive Samarium-Cobalt for the high-end market.
The German firm Renak (https://www.nabendynamo-renak.de/ ) makes a dynahub where the generator is not always engaged. It has hardly losses when not used, but somewhat more when in use.
At speed a dynamo can overpower the lamp, causing it to fail. Modern lamps and dynamos often incorporate Zener diodes to prevent overvoltage,
To produce light when the bike is stationary, some dynamo lights have a stand-light facility, usually a single blue-white (front light) or red (rear light) LED powered by a capacitor, which runs for around five minutes.
Developments in the paqst 50 years....(Wikipedia summary)
Incandescent bulbs were at first replaced first by halogen lamps (around 1980); then there was a short period of time that a lot new types came on the market: HID, Xenon and end '80 the light-emitting diodes (LEDs). Though there were initially troubles with colour of some LEDs (especially among people with colourblindness), LED's have completely taken over the market nowadays.
The introduction of the Low self-discharge NiMH battery (LSDNiMH) in 2005 made rechargeable AA and AAA sized batteries more viable for powering LED bicycle lights. Previously, the selfdischarge effect of NiCAD and NiMH batteries caused the battery to run down over a period of weeks or a few months, even when not in use. Cheap battery lights can be a good choice for occasional use and usually meet legal requirements. Nowadays Li-ion and LiPo batteries have been becoming popular with bicyclists due to their higher capacity and lighter weight compared with conventional batteries.
Batteries, either rechargeable or disposable, are often used to power packs.
3 volt: Often supplied by 2 AA or C/D cell batteries.
6 volt: Sometimes 4 AA batteries or lead-acid batteries are used; also supplied from a bottle- or hub dynamo.
9 volt: Sometimes supplied by a PP3 battery
12 volt: Mostly Li-ion variants, but sometimes still supplied by sealed lead-acid batteries (see FIG.8b) .
The main advantage of 12 volts is versatility of the electric system. It also allows electric air compressors to inflate tires.
Some 12-volt dynamos are available too, though their watt rating is underpowered for medium to high watt applications.
Virtually all bicycle lights on the market today, from the cheapest to the most expensive, are based on LEDs. [see FIG.8a]
Regular bike commuters will find it cheaper and more environmentally friendly to use rechargeable cells. Many headlamps use rechargeable lithium-ion batteries, which can be charged via a USB port. A very large part of the commuter bicycle market has been taken over by E-bike variants. There is no point in fitting dynamos to them; modern LEDs are energy efficient and can produce any desired amount of light.

FIG.8a A Smart rearlight.

FIG.8b Battery lights back in 1922.
Under the International Vienna Convention on Road Traffic (1968) of the United Nations, a bicycle is a vehicle. Article 44 of the Convention stipulates that: "Cycles without an engine in international traffic shall: (c) Be equipped with a red reflecting device at the rear and with devices such that the cycle can show a white or selective-yellow light to the front and a red light to the rear."
Many jurisdictions require bicycles to be fitted with reflectors at the point of sale. In the United States this is regulated by the Consumer Product Safety Commission. CPSC compliant reflectors (also commonly fitted in other markets) have three retro-reflective panels positioned at 30° angles.
The standard requires a forward-facing white reflector on the front of the bicycle, sideways-facing white reflectors on each wheel, a red reflector mounted on the rear, and yellow reflectors installed on the front and back of each pedal. Some interpret this as an endorsement of reflector-only night cycling. Most European countries and some US states require front and rear lights at night.
In the UK, the regulations governing bicycle lights are set out in the Road Vehicles Lighting Regulations 1989[3] and their subsequent amendments, summarized in the Highway Code.[4] The regulations require a
white front light, a red rear light, a red rear reflector, and amber/yellow pedal reflectors on the front and rear of both pedals. There are no EU rules on bike lights; every country has its own. Cheap battery lights can be choosen for occasional use and usually meet legal requirements.
Reflectors must conform to BS 6102/2 or an equivalent European standard. The situation for lights is more complicated: a light with a steady mode is considered approved only if it conforms to BS 6102/3 or an equivalent European standard. A light without a steady mode is considered approved only if it flashes at a constant rate of between 60 and 240 flashes per minute and has a luminous intensity of at least 4 candela;
The majority of LED lights available are not approved for UK use since they have steady modes that donot conform to BS 6102/3. National cyclists' organisations such as LAB (US) or CTC (UK)are a source of info.
LED systems often include an option to dim the LEDs, or to provide a flashing light.
ON THE WEB AND IN WRITING
Card, Peter W. (2007). Early Cycle Lighting 1868-1948: Identification and Value Guide. Crowood. ISBN 978-1-86126-964-5.
Bicycling Test Team (30 November 2020). "The Best Bike Lights for Every Kind of Ride" (https://www.bicycling.com/bikes-gear/a20023360/8-bike-lights-we-love/). Bicycling.com. Retrieved 6 December 2021.
Department for Transport (2007). The Highway Code: Rules for Cyclists (http://www.direct.gov.uk/en/TravelAndTransport/Highwaycode/DG_069837)
Edewaard, Darlene (1 May 2017). The Nighttime Conspicuity Benefits of Static and Dynamic Bicycle Taillights (https://tigerprints.clemson.edu/all_theses/2620/) (Thesis).
The Road Vehicles Lighting Regulations 1989 (http://www.legislation.gov.uk/uksi/1989/1796/contents/made)
Owner Schmidt of the German hubdynamo factory explains: https://fahrradzukunft.de/1/wirkungsweise-fahrradlichtmaschinen (in German)
A German test of hubdynamo's (2004) : https://fahrradzukunft.de/1/labortest-nabendynamos